A
A
Direct On Line Starter
A
Motor Name Plate Terminology
A
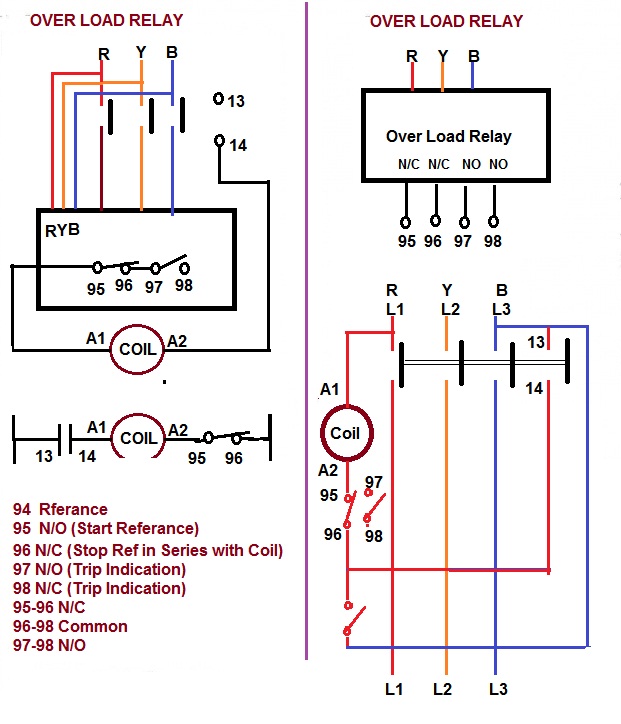
4. Overload Relay Size & Contactor for Starter
5. Abstract of NEC:430 for Size of Cable for Single or Group of Motors
A
Standard Electrical Motor Connections
Electrical Motor Quick Reference
Parallel Operation of Transformer
A
Vector Group of Transformer
A
Auto Transformer Connection
A
Scott-T Connection of Transformer
A
Zig-zag Connection of Transformer
A
Star-Delta Connection of Transformer
A
Delta-Star Connection of Transformer
A
